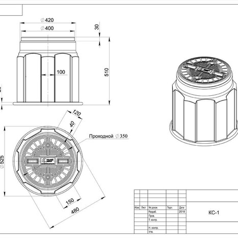
Колодец КС-1 ПОЛИМЕР-ГРУПП (аналог ККТМ-1)
Возможна платная доставка по РБ
Наличный, безналичный расчет. Цены указаны с НДС
КП для печати
Описание
Колодец кабельный КС-1 (аналог ККТМ-1) предназначен для установки соединений и распределения кабельной канализации, электрической и слаботочных сетей, с целью их контроля и обеспечения безопасности соединительных муфт.
Кабельный колодец связи КС-1 (аналог ККТМ-1) изготовлен методом ротационного формования - изделие не имеет никаких соединительных швов. Материал изготовления – пищевой полиэтилен, который не имеет в своём составе вредных и опасных для здоровья человека и окружающей среды материалов. Возможна вторичная переработка материала из которого выполнен кабельный колодец.
Аббревиатура ККТМ расшифровывается как «кабельный колодец телекоммуникационный малогабаритный». Основное назначение такого оборудования — изоляция и защита стыков различных кабелей, хранение проводов, мониторинг работоспособности и техническое обслуживание магистралей.
Главные плюсы пластиковых колодцев КС по сравнению с железобетонными:
- Легкий вес. Не требуется использование погрузочной техники, легко перевозятся и монтируются вручную;
- Герметичность. Материал не пропускает воду через поры или швы, герметичность соединений обеспечивается адаптерами герметичного ввода, люк на резьбовом соединении с уплотнителем;
- Простой монтаж. Отверстия для кабелей прорезаются в нужных местах при монтаже – быстро и удобно;
- Долговечность. Срок службы пластикового КС около 50 лет;
- Прочность. Ударопрочный полиэтилен выдерживает нагрузку до 2 тонн;
- Условия эксплуатации. От -50 до +60 градусов, устойчивость с УФ-лучам.
В наше время используется множество химических реагентов, исключающих обледенения проезжей части и нередки перепады температуры. В пластиковых колодцах предусмотрены эти факторы. Свойства материала, из которого выполнен колодец ,и его конструкция позволяют достичь высокого уровня прочности, химической и морозостойкости.
Монтаж колодца
Перед установкой колодца необходимо подготовить котлован, при попадании в котлован сточных вод рекомендуется их откачивать. В подготовленный котлован с отсыпанным песком и утрамбованным дном устанавливается сам колодец, толщина отсыпки должна быть не меньше 50мм. Во время установки колодца в его корпусе вырезаются отверстия для ввода защитных труб (трубы могут быть как гладкостенные так и гофрированные).
Транспортировка и хранение
Транспортировка колодцев КС осуществляется любым видом транспорта (автомобиль, ЖД, водный транспорт, авиа перевозка) в соответствии с правилами действующими на каждом из видов транспорта. При транспортировке и хранении колодцев допускается их штабелирование (укладка один на другой).
Характеристики
Высота |
510 мм
|
|---|---|
Ширина |
525 мм
|
Длина |
525 мм
|
Производитель |
Полимер-Групп |
|---|---|
Тип эксплуатации |
Подземная эксплуатация
|
Материал |
Полиэтилен
|
Температурный режим |
-50°C до +60°C °C
|
Диаметр горловины |
350 мм
|
Цвет |
Черный
|
Форма |
цилиндрическая
|
Вес |
7.5 кг
|
Назначение |
для целей водоотведения и дренажа
|
