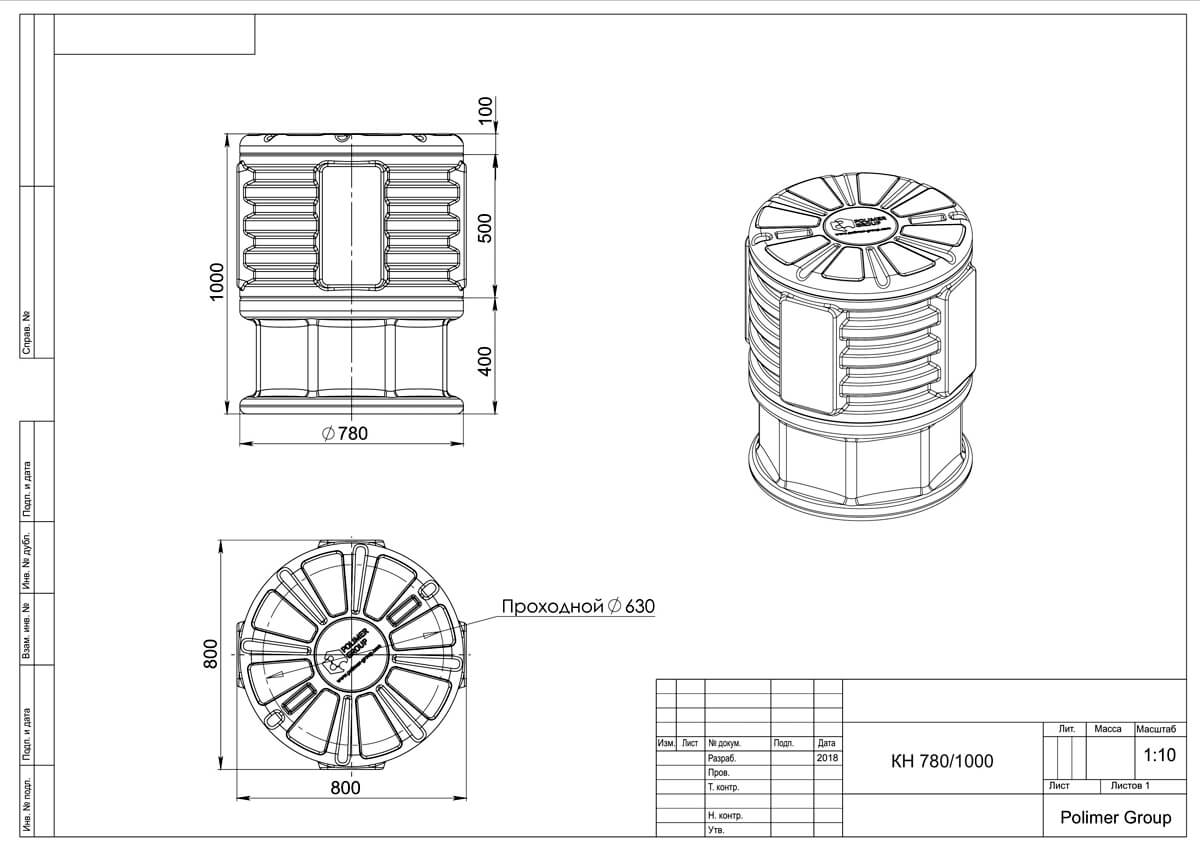
Колодец сборный КН-780/1000 ПОЛИМЕР-ГРУПП
Возможна платная доставка по РБ
Наличный, безналичный расчет. Цены указаны с НДС
КП для печати
Описание
Особенностью серии является увеличенный диаметр горловины колодца для удобного размещения габаритных муфт и оборудования.
Наборные элементы колодца позволяют варьировать его высоту от 500 до 3000 мм в зависимости от специфики задачи.
Характеристики
Высота |
1000 мм
|
|---|---|
Ширина |
800 мм
|
Длина |
800 мм
|
Производитель |
Полимер-Групп |
|---|---|
Тип эксплуатации |
Подземная эксплуатация
|
Материал |
Полиэтилен
|
Температурный режим |
-50°C до +60°C °C
|
Диаметр горловины |
630 мм
|
Серия |
КН
|
Цвет |
Черный
|
Вес |
23.8 кг
|
Назначение |
для целей водоотведения и дренажа
|
