Септик Rostok Дачный черный
Возможна платная доставка по РБ
Наличный, безналичный расчет. Цены указаны с НДС
КП для печати
Описание
Представляем вашему вниманию энергонезависимый септик Rostok Дачный от компании ООО "ЭкоПром СПб".
Его производительность составляет 450 литров в сутки. Это соответствует потребности 2 - 3 пользователей.
Период откачки:
- постоянное проживание - ежегодно;
- сезонное проживании - раз в 2-3 года.
Септик Rostok предназначен для сбора и очистки хозяйственно–бытовых сточных вод от индивидуальных жилых домов, объектов малоэтажной застройки, бань и коттеджей при отсутствии центральной системы канализации.
Конструкция септика Rostok разработана и запатентована компанией ЭкоПром (патент №136036) и включает в себя:
- Бесшовный укреплённый корпус
- Гаситель входящего потока
- Эффективную систему отсеков и переливов
- Синтетическую загрузку для очистки
Изделие произведено методом формования из линейного полиэтилена без единого сварного шва, благодаря чему септик герметичен на 100%.
Схема работы септика Rostok:

Септик Rostok снабжен ребрами жесткости для увеличения прочности, а его форма создавалась для максимально удобного переноса и простоты монтажа.
Септик Rostok может быть дооборудован дополнительными горловинами 640мм и 940 мм. Это позволит установить его глубже начальной отметки на 340мм или 640 мм. Итоговое расстояние от поверхности земли до входной трубы (по центру) составит 1200 мм и 1500 мм соответственно.

При отсутствии возможности выполнить отвод очищенной воды самотеком, септик Rostok возможно дооборудовать насосным отсеком и отвести воду принудительно.
10 шагов для успешного монтажа септика «Росток» Дачный черный
1. Определиться с местом монтажа септика:
- От жилого дома минимальное расстояние 5 м.
- От границы дороги минимальное расстояние 5 м.
- От деревьев минимальное расстояние 3 м.
- От питьевого источника минимальное расстояние 50 м.
2. На выбранном месте вырыть котлован по размерам:
- Высота 1,8 м.
- Длина 2,3 м.
- Ширина 1,7 м.
3. Вырыть траншею от выпускного трубопровода из дома до котлована с уклоном 2 см на 1 метр траншеи;
4. Дно котлована выровнять и отсыпать песчаную подушку в 0,1 м;
5. В котлован опустить септик;
6. Произвести якорение септика, в качестве якорей можно использовать либо 2 стандартных бетонных бордюра (по одному с каждой стороны), либо готовую бетонную плиту с анкерами, которая опускается на дно котлована под септик. Якорение септиков необходимо производить синтетическим канатом (или другим не гниющим материалом) перекинутым сверху через корпус септика. Для связывания септика к двум блокам рекомендуется использовать кусок каната длиной 12 метров;
7. В траншею установить подводящую трубу, утеплить ее (например, пенополиэтиленом) и присоединить к септику и выпускному трубопроводу, при этом все соединения пройти герметиком;
8. Засыпать песком траншею с подводящей трубой;
9. Засыпать септик песком (либо песчано-цементной смесью в пропорции 5 к 1), уплотняя его через каждые 20-30 см, с постепенным заполнением емкости чистой водой через горловину;
10. Подключить к отводящему трубопроводу, либо, при необходимости, подключить прочее оборудование (накопительные системы, системы полива, системы дренажа).
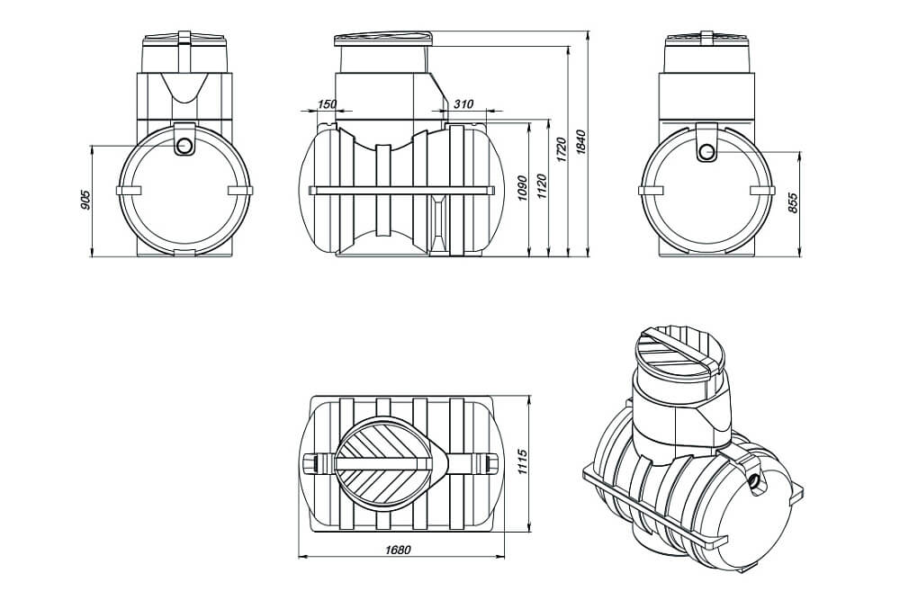
Характеристики
Объем |
1500 л
|
|---|---|
Высота |
1840 мм
|
Ширина |
1115 мм
|
Длина |
1680 мм
|
Производитель |
ЭкоПром |
|---|---|
Тип эксплуатации |
Подземная эксплуатация
|
Материал |
Полиэтилен
|
Температурный режим |
-30°C до +60°C °C
|
Цвет |
Черный
|
Вес |
93 кг
|
Назначение |
для обустройства канализации
|
