Емкость ФМ 1000 литров белая в обрешетке
Возможна платная доставка по РБ
Наличный, безналичный расчет. Цены указаны с НДС
КП для печати
Описание
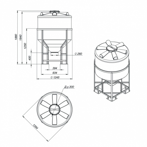
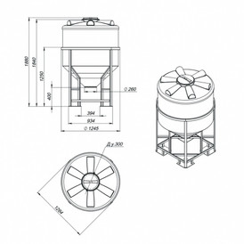
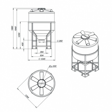
Емкость ФМ объемом 1000 литров – крупногабаритный цилиндрический резервуар с конусным дном, обеспечивающим дозированную подачу и полный слив хранящихся в баке веществ.
Обрешетка емкости ФМ, изготовленная из высококачественного металла, обеспечивает удобство эксплуатации резервуара.
Емкость предназначена для хранения веществ плотностью до 1,0 г/см³ включительно, таких как:
- различные жидкости: от пищевых продуктов и питьевой воды до агрессивных веществ (удобрения, моющие средства, технический спирт и т. д.)
- сыпучие, порошкообразные, гранулированные, вязкие и пастообразные продукты
Малый вес емкости, по сравнению с металлическими аналогами, обеспечивает удобство транспортировки и монтажа.
Корпус емкости белого цвета позволяют отслеживать уровень остатка веществ внутри без применения дополнительного оборудования.

Емкости серии ФМ имеют широкий размерный ряд:

Характеристики
Объем |
1000 л
|
|---|---|
Высота |
1880 мм
|
Ширина |
1265 мм
|
Длина |
1265 мм
|
Производитель |
ЭкоПром |
|---|---|
Тип эксплуатации |
Наземная эксплуатация / в обрешетке
|
Материал |
Первичный пищевой полиэтилен LLDPE
|
Температурный режим |
-30°C до +60°C °C
|
Диаметр горловины |
300 мм
|
Максимальная плотность вещества |
1 г/см3
|
Серия |
ФМ/ЦКТ
|
Цвет |
Белый
|
Форма |
конусообразная (полный слив)
|
Вес |
81 кг
|
Назначение |
для питьевой воды и пищевых веществ
|
