Емкость S 1000 литров белая
Возможна платная доставка по РБ
Наличный, безналичный расчет. Цены указаны с НДС
КП для печати
Описание
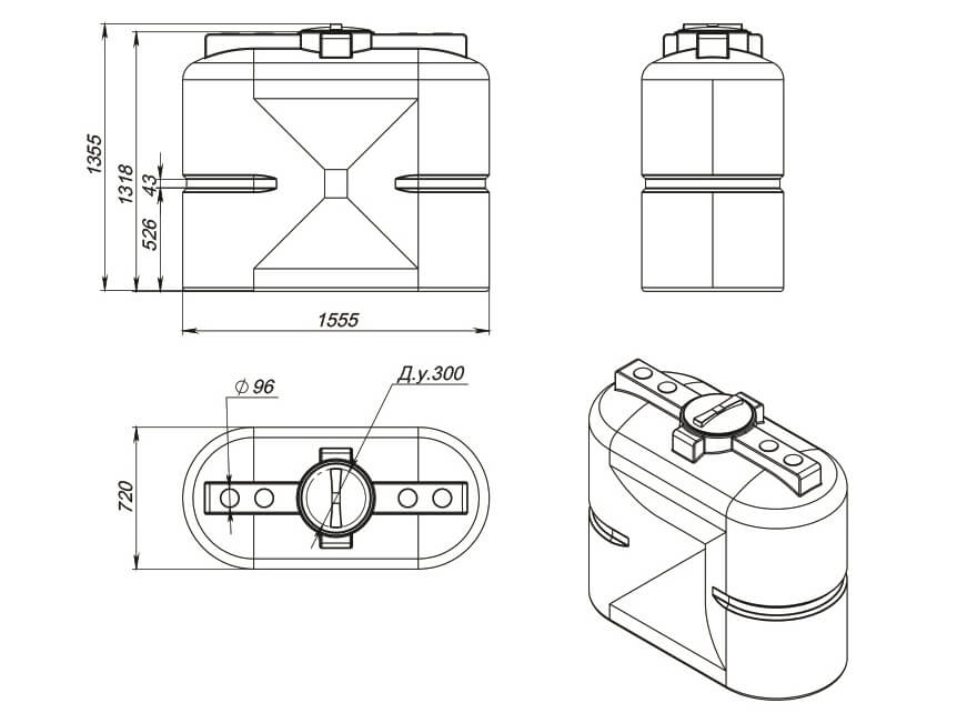
Фактический объем емкости S 1000 oil составляет 1080 литров.
Емкости серии S oil разработаны компанией «ЭкоПром» для безопасного хранения дизельного топлива. Крышка емкостей оснащена дыхательным клапаном, который регулирует давление внутри бака и обеспечивает контроль состояния паров при колебании температур. Кроме того, лабиринтное строение клапана минимизирует вероятность попадания искр и пламени внутрь емкости.
Емкости изготовлены из первичного полиэтилена, который не вступает во взаимодействие с хранящимися в емкости жидкостями, не меняет их свойств.
Полупрозрачный корпус емкости белого цвета позволяют отслеживать уровень остатка жидкости внутри.

Баки серии oil оснащены специальными площадками для безопасной установки отводов и прочего дополнительного оборудования. Отсутствие предустановленных производителем отводов обеспечивает целостность емкости.
Емкости серии S oil абсолютно бесшовные - гарантированно герметичные. Конструкция бака усилена сквозным отверстием, что повышает эксплуатационные свойства емкости, обеспечивает длительный срок службы, упрощает безопасную транспортировку. Емкость устойчива и не требует дополнительной фиксации во время эксплуатации.
Габариты емкости продуманы таким образом, чтобы она проходила в стандартные дверные проемы. Несмотря на большую вместимость, компактные размеры и плоская форма позволяют разместить емкость серии S вдоль стены, значительно экономя пространство.
Емкость изготовлена из пищевого первичного полиэтилена. Материал обладает высокой устойчивостью к химическому и ультрафиолетовому воздействию, может эксплуатироваться в температурном диапазоне от -30 до +60 градусов.
Полупрозрачный корпус емкости белого цвета позволяют отслеживать уровень остатка жидкости внутри.
Емкости серии S oil имеют широкой размерный ряд.

Емкости серии S oil применяются в быту и на производстве в качестве топливного бака в системах отопления, для дизельных генераторов, для котельных, в отопительных системах для подачи топлива в обогревательные котлы.
По желанию емкость может быть укомплектована отводами, кранами, уровнемерами, выключателями уровня, системой забора топлива.
Возможно изготовление усиленной емкости под увеличенную плотность жидкости, а также емкости в индивидуальных цветах заказчика.
Характеристики
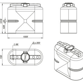
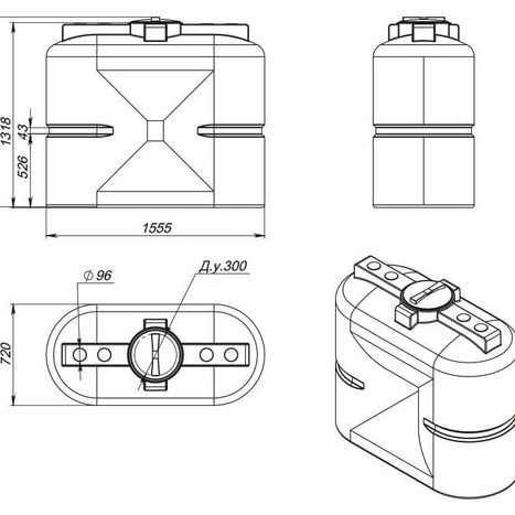
Объем |
1000 л
|
|---|---|
Высота |
1355 мм
|
Ширина |
720 мм
|
Длина |
1555 мм
|
Производитель |
ЭкоПром |
|---|---|
Тип эксплуатации |
Наземная эксплуатация
|
Материал |
Полиэтилен
|
Температурный режим |
-30°C до +60°C °C
|
Диаметр горловины |
300 мм
|
Максимальная плотность вещества |
1 г/см3
|
Серия |
S
|
Цвет |
Белый
|
Форма |
прямоугольная
|
Вес |
40 кг
|
Назначение |
для воды / для дизельного топлива
|
